欢迎来访,今天是2025年11月13日 星期四
常见问题
|
资料下载
|
OA登录
走进广咨
广咨简介
组织架构
管理团队
资信荣誉
分、子公司
发展历程
新闻中心
公司要闻
公告公示
党建工作
党组织概况
党建动态
联系我们
新闻中心
国内首批、广西首家获得甲级综合资信的咨询机构
新闻中心
公司要闻
公告公示
公告公示
当前位置:
首页
>
新闻中心
>
公告公示
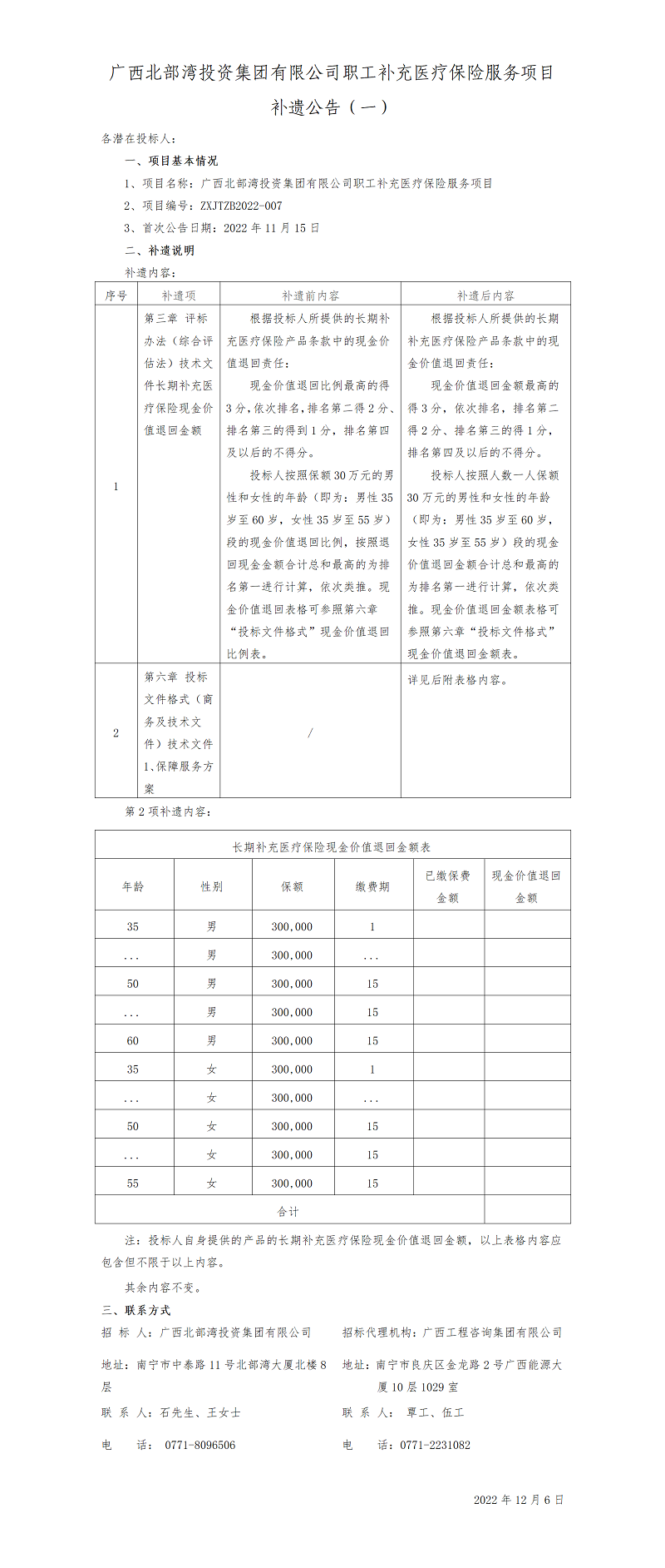
广西北部湾投资集团有限公司职工补充医疗保险服务项目补遗公告(一)
发布时间:2022-12-06 08:38:51 浏览:2398次 作者:mile米乐集团 来源:mile米乐集团
mile米乐集团有限公司 版权所有